Информация о товаре
DORMA ITS 96 СКРЫТЫЙ ДОВОДЧИК
Доводчики ДОРМА на основе кулачковой технологии Easy Open
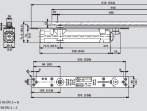
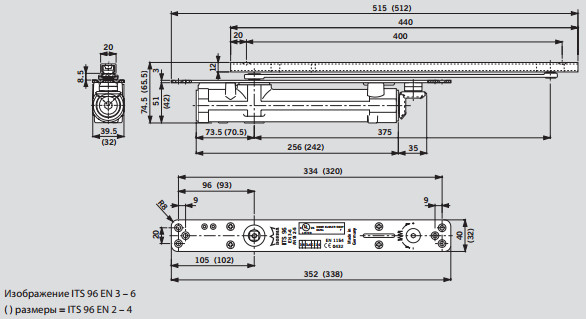
Доводчик DORMA ITS 96 предназначен для скрытой установки в дверное полотно или дверную коробку. Данный доводчик, пригодный практически для всех типов дверей благодаря гибкости системы, имеет широкий ряд функций в сочетании с высоким уровнем качества.
Преимущества для торговых представителей/дистрибьюторов
- Низкие затраты на хранение и сниженные требования к комплектации благодаря рациональной модульной системе
- Одна система скользящих каналов и координаторов закрывания для ITS 96 и ITS 96 FL
Преимущества для установщиков/изготовителей
- Универсальная конструкция
- Кроме длины, у ITS 96 EN 3-6 и ITS 96 FL EN 3-6 одинаковые установочные размеры
- Простая регулировка силы и скорости закрытия, а также функция дохлопа
Преимущества для пользователя
- Оптимальная защита от вандализма благодаря скрытой установке
- Повышенное удобство пользователя и полностью управляемое, надежное закрытие с регулируемым действием дохлопа
Особенности
- Скрытая установка
- Для дверей до 180 кг
- Толщина полотна от 40 мм
- Плавная регулировка усилия закрывания
- Регулируемая функция дохлопа
- Ограничитель угла открывания в комплекте






